Jeep Cherokee (XJ): Adjustments. Specifications. Special tools
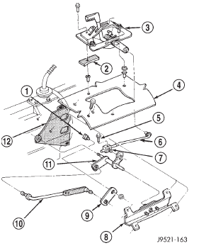
SHIFT LINKAGE ADJUSTMENT (1) Shift transfer case into 4L position.
(2) Raise vehicle.
(3) Loosen lock bolt on adjusting trunnion (Fig.
87).
(4) Be sure linkage rod slides freely in trunnion.
Clean rod and apply spray lube if necessary.
(5) Verify that transfer case range lever is fully
engaged in 4L position.
(6) Tighten adjusting trunnion lock bolt. (7) Lower vehicle
1 - TRANSFER CASE SHIFT LEVER SHAFT TORQUE DESCRIPTION TORQUE Plug, Detent . . . . . . . . . . 16-24 N·m (12-18 ft. lbs.) NV231
Adjustments

Fig. 87 Shift Linkage
2 - SEAL
3 - TRANSFER CASE SHIFT LEVER ASSEMBLY
4 - FLOORPAN
5 - TRUNNION LOCK BOLT
6 - SHIFT ROD
7 - ADJUSTING TRUNNION
8 - TORQUE SHAFT BRACKET
9 - RANGE LEVER
10 - TORQUE SHAFT ROD
11 - TORQUE SHAFT
12 - LINKAGE BRACKETSpecifications
Plug, Drain/Fill . . . . . . . 20-34 N·m (15-25 ft. lbs.)
Bolt, Front Brg. Retainer . . . . . 21 N·m (16 ft. lbs.)
Bolt, Front Brg. Retainer . . . . . 21 N·m (16 ft. lbs.)
Bolt, Case Half . . . . . . . . 27-34 N·m (20-25 ft. lbs.)
Nut, Front Yoke . . . . 122-176 N·m (90-130 ft. lbs.)
Nut, Range Lever . . . . . . 27-34 N·m (20-25 ft. lbs.)
Bolt, Rear Retainer . . . . 35-46 N·m (26-34 ft. lbs.)
Nuts, Mounting . . . . . . . 35-47 N·m (26-35 ft. lbs.)
Switch, Indicator . . . . . . 20-34 N·m (15-25 ft. lbs.)Special tools



Other materials:
Low pressure cycling clutch switch. Refrigerant system leaks. Vacuum system
Low pressure cycling clutch switch
Before performing diagnosis of the low pressure
cycling clutch switch, be certain that the switch is
properly installed on the accumulator fitting. If the
switch is too loose it may not open the Schrader-type
valve in the accumulator fitting, which will prevent ...


